关于我们
|
产品中心
|
联系方式
|
网站地图
您好,欢迎访问公司网站,我们将竭诚为您服务!
全国服务热线:
13773227577
网站首页
关于我们
产品中心
新闻动态
在线视频
案例文档
在线留言
联系我们
产品中心
当前位置:
首页
>
产品中心
>
K系列斜齿轮-螺旋锥齿轮减速机
>
产品详情
KF斜齿轮-螺旋锥齿轮减速机
更新时间:2018-07-24 14:16:41
类别:
型号:
售价:
TAG:
产品说明
/instructions
[page]
[page]
[page]
[page]
[page]
[page]
[page]
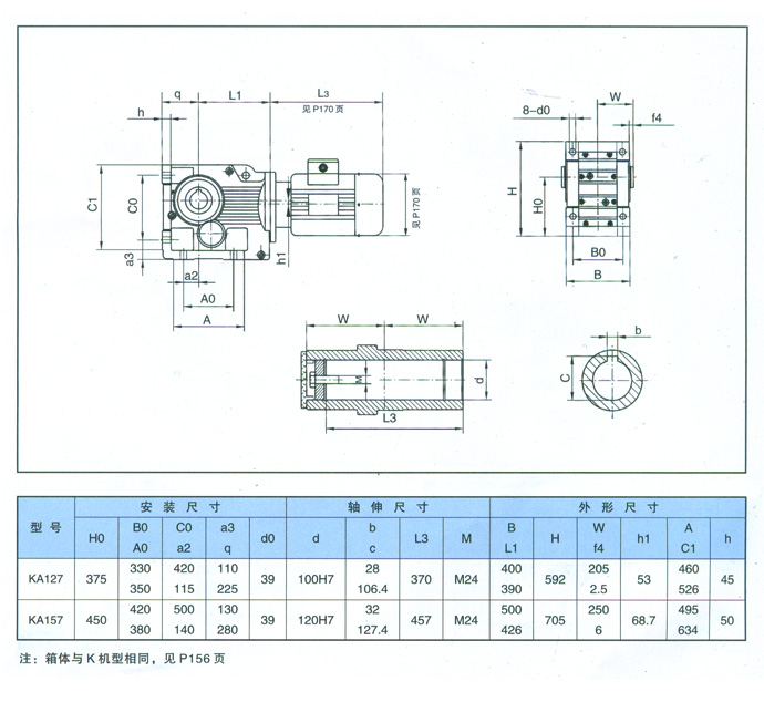
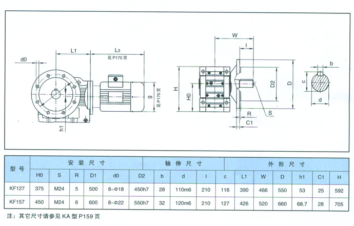
产品参数
/parameter
行业应用
/industry
上一篇:
KA斜齿轮-螺旋锥齿轮减速机
下一篇:
KAF斜齿轮-螺旋锥齿轮减速机
返回上面
【推荐相关产品】
热门推荐:
最新产品
公司新闻
行业新闻
·
T系列螺旋锥齿...
·
KAF斜齿轮-螺旋...
·
KF斜齿轮-螺旋...
·
KA斜齿轮-螺旋...
·
K斜齿轮-螺旋锥...
·
FAF平行轴斜齿...
产品类别
B、X系列摆线针轮减速机
WB系列微型摆线针轮减速机
WP系列蜗轮减速机
单极减速机
万能型减速机
双极减速机
SWL系列蜗轮丝杆升降机
NMRV系列蜗轮减速机
UD系列行星锥盘无级变速器
R系列斜齿轮减速机
S系列斜齿-蜗轮蜗杆减速机
F系列平行轴斜齿轮减速机
K系列斜齿轮-螺旋锥齿轮减速机
T系列螺旋锥齿轮传动箱
HOT